|
公司基本資料信息
|
|||||||||||||||||||||||||||||
高壓細水霧滅火裝置利用純水作為滅火介質,采用特殊的噴頭在特定的壓力工作下(通常為10MPa)將水流分解成細小水滴進行滅火的一種固定式滅火系統,具有經濟、適用范圍廣等特點,已成為替代哈龍滅火系統的重要技術,具有廣泛的應用前景。
系統由一個或多個細水霧噴頭、供水管網、加壓供水設備及相關控制裝置等組成,能在火災發生時向保護對象或空間噴放細水霧并撲滅、抑制、或控制火災的自動滅火系統。適用于撲救A類、B類、C類和電氣類火災。由于它先進的滅火機理,其使用基本不受場所的限制,在陸地、海洋、空間均可應用。尤其是對高危險場合的局部保護和對密閉空間的保護特別有效。如:石化行業、軍事裝備、煤炭行業、醫藥、食品加工行業、古建筑、檔案館、商業民用建筑、地鐵、隧道、大型交通車輛、水面船舶、航空航天、電力、電子行業等。
尤其適用于文物古建筑滅火使用,在安裝過程中在盡量保持原有文物古建筑風貌。
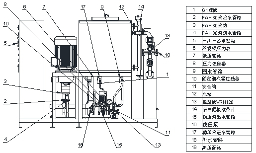
系統組成

高壓細水霧滅火裝置一般由高壓主泵、備用泵、穩壓泵、電磁閥、過濾器、泵控制柜、水箱組件、供水管網、區域閥箱組件、高壓細水霧噴頭及火災報警控制系統及補水泵等部件組成。
工作原理

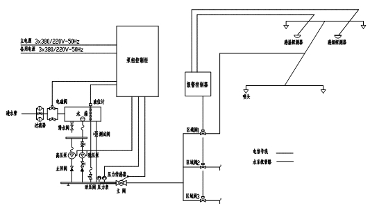
在準工作狀況下,細水霧系統從泵組出口至區域閥前的管網內(閉式是從泵組出口至噴頭的管網)維持壓力,當壓力低于穩壓泵的設定啟動壓力8bar時,穩壓泵啟動,使系統管網維持穩定壓力(8-14)bar,穩壓泵運行超過10秒鐘后壓力仍達不到14 bar時,主泵啟動,穩壓泵停止。
水箱進水口處接有補水電磁閥,水源經過過濾器和補水電磁閥后進入水箱;水箱配有液位控制器,實現對水箱水位的自動控制。補水電磁閥在水箱低水位時打開,高水位時關閉。可以通過泵組控制盤,實現高壓細水霧滅火系統的啟動、停止及系統運行狀況監視。
當火災自動報警系統探測到并確認火災后,(0~30秒)后聯動開啟相應區域的電動閥,管網內壓力迅速下降,高壓泵組啟動。為了保證系統可靠運行,符合設計規范,區域電動閥啟動還可以通過手動、電動或遠程直線啟動實現;高壓泵組還可以手動、聯動或遠程直線啟動。
相關設備

產品實拍
